| 品番 | ジョーストローク (直径) (mm) | 最大 把握直径(mm) | 最小 把握直径(mm) | 最大把握力 kN (kgf) | 最大圧力使用 MPa (kgf/cm2) | 最低圧力使用 kgf/cm2 | 空気消耗量 (圧力使用 6.0 kgf/cm2) | 重量 (kg) | ||
|---|---|---|---|---|---|---|---|---|---|---|
| 気圧 | 油圧 | 気圧 | 油圧 | |||||||
| * SU-304 | 3 | 60 | 5 | 6.7 (683) | 16.0 (1632) | 0.6 (6) | 1.3 (13) | 2 | 0.26 | 7.4 | 
| SU-306 | 5 | 105 | 31 | 18.5 (1886) | 40.0 (4079) | 0.6 (6) | 1.3 (13) | 2 | 0.58 | 18 | 
| SU-308 | 5 | 132 | 32 | 37.0 (3773) | 80.0 (8158) | 0.6 (6) | 1.3 (13) | 2 | 1.02 | 31.5 | 
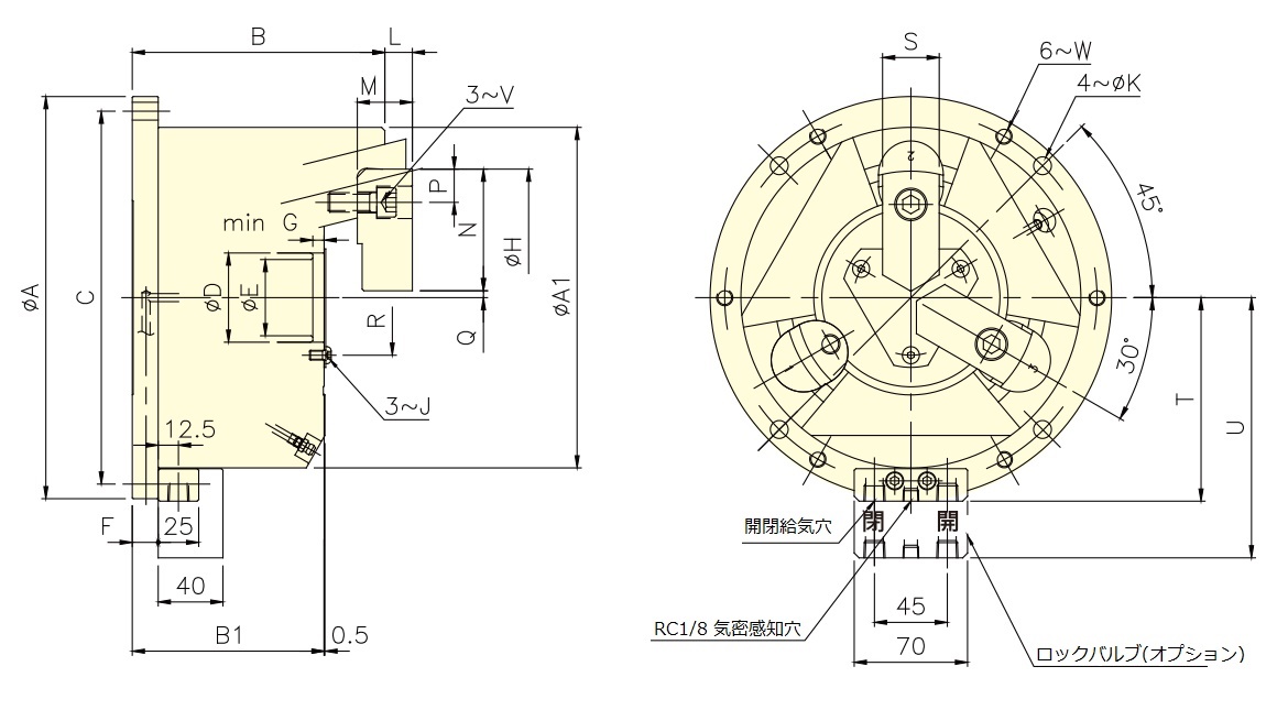
| 品番 | A(h7) | A1 | B | B1 | C | D(H6) | E | F | G | H(H6) | J | K | 
|---|---|---|---|---|---|---|---|---|---|---|---|---|
| * SU-304 | 148 | 110 | 101.5 | 83.5 | 130 | 32 | 24 | 15 | 4.5 | 84 | M5 | 9 | 
| SU-306 | 206 | 168 | 136.5 | 104 | 188 | 35 | 25 | 18 | 6 | 129 | M5 | 11 | 
| SU-308 | 248 | 210 | 152 | 115 | 230 | 55 | 45 | 18 | 7 | 156 | M6 | 11 | 
| 品番 | L max. | L min. | M | N | P | Q max. | Q min. | R | S | T | U | V | W | 
|---|---|---|---|---|---|---|---|---|---|---|---|---|---|
| * SU-304 | 7 | 1 | 17 | 40 | 9.5 | 2.75 | 1.25 | 42 | 20 | 75.5 | 110.5 | M6 | M8x1.25 | 
| SU-306 | 15 | 5 | 30 | 50 | 17 | 15.75 | 13.25 | 49 | 30 | 104.5 | 139.5 | M10 | M10x1.5 | 
| SU-308 | 17 | 7 | 34 | 63 | 20.5 | 16.25 | 13.75 | 71 | 35 | 125.5 | 160.5 | M12 | M10x1.5 |