| 品番 | ジョーストローク(直径)(mm) | 最大把握直径(mm) | 最小把握直径(mm) | 最大把握力 空気圧 kN(kgf) | 最大把握力 油圧 kN(kgf) | 最大圧力 空気圧 MPa (kgf/cm2) | 最大圧力 油圧 MPa (kgf/cm2) | 最小圧力 kgf/cm2 | エアー消費量 lit(at 6.0 kgf/cm2) | 重量(kg) | 
|---|---|---|---|---|---|---|---|---|---|---|
| SM-306 | 13.1 | 168 | 11 | 15.9(1621) | 27.2(2780) | 0.7(7) | 1.2(12) | 2 | 1.5 | 18.7 | 
| SM-308 | 16 | 210 | 13 | 26.2(2670) | 45.0(4590) | 0.7(7) | 1.2(12) | 2 | 2.7 | 32.5 | 
| SM-310 | 19.6 | 254 | 18 | 37.0(3772) | 63.0(6422) | 0.7(7) | 1.2(12) | 2 | 4.6 | 53.6 | 
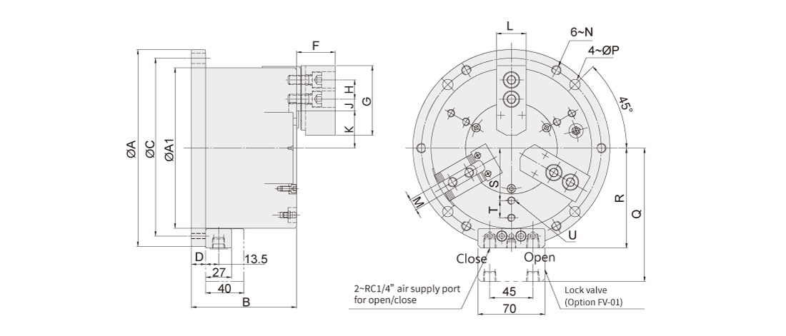
| Model | A(h7) | A1 | B | C | D | F | G | H | J max. | J min. | K max. | K min. | L | M | N | P | Q | R | S | T | 
|---|---|---|---|---|---|---|---|---|---|---|---|---|---|---|---|---|---|---|---|---|
| SM-306 | 206 | 168 | 110 | 188 | 15 | 40 | 73 | 20 | 18.25 | 7.75 | 39 | 32.45 | 31 | 12 | M10x1.5 | 11 | 139.5 | 104.5 | 55 | 18 | 
| SM-308 | 248 | 210 | 127 | 230 | 15 | 41 | 95 | 25 | 25.25 | 11.75 | 45 | 37 | 35 | 14 | M10x1.5 | 11 | 160.5 | 125.5 | 68 | 25 | 
| SM-310 | 300 | 254 | 145 | 280 | 16 | 46 | 110 | 30 | 36.75 | 14.25 | 50 | 40.2 | 40 | 16 | M12x1.75 | 13 | 182.5 | 147.5 | 85 | 30 |