| 品番 | 有効ピストン面積 cm2 伸びた状態 | 有効ピストン面積 cm2 縮んだ状態 | ピストンストローク (mm) | 最大回転速度 min-1(r.p.m.) | 最大圧力 MPa(kgf/cm2) | I kg・m2 | 重量 (kg) | 
|---|---|---|---|---|---|---|---|
| RS-6520N | 32.0 | 28.3 | 20 | 6000 | 4.0(40) | 0.01 | 3.2 | 
| RS-6530N | 32.0 | 28.3 | 30 | 6000 | 4.0(40) | 0.01 | 3.3 | 
| RS-75N | 43.0 | 37.1 | 15 | 6000 | 4.0(40) | 0.01 | 3.3 | 
| RS-7530N | 43.0 | 37.1 | 30 | 6000 | 4.0(40) | 0.013 | 3.7 | 
| RS-100N | 77.4 | 71.5 | 20 | 6000 | 4.0(40) | 0.04 | 4.8 | 
| RS-125N | 121.6 | 113.1 | 25 | 6000 | 4.0(40) | 0.05 | 7.3 | 
| RS-150N | 175.6 | 160.8 | 30 | 5500 | 4.0(40) | 0.16 | 10.6 | 
| RS-200N | 313.0 | 290.4 | 35 | 5500 | 4.0(40) | 0.29 | 15.9 | 
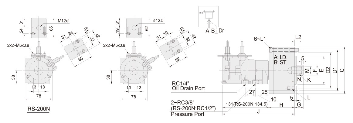
| 品番 | A | B | C | D1 | D2 | E (h7) | F | G max. | G min. | H | J | K | L | L1 | L2 | M (H8) | N | 
|---|---|---|---|---|---|---|---|---|---|---|---|---|---|---|---|---|---|
| RS-6520N | 65 | 20 | 97 | 80 | 80 | 60 | 25 | 45 | 25 | 62 | 193 | M16x2.0 | 6~M8x16 | M6x70 | 14.5 | 17 | 30 | 
| RS-6530N | 65 | 30 | 97 | 80 | 80 | 60 | 25 | 45 | 15 | 62 | 203 | M16x2.0 | 6~M8x16 | M6x80 | 14.5 | 17 | 30 | 
| RS-75N | 75 | 15 | 107 | 90 | 90 | 65 | 30 | 45 | 30 | 57 | 188 | M20x2.5 | 6~M8x16 | M8x60 | 12 | 21 | 35 | 
| RS-7530N | 75 | 30 | 107 | 90 | 90 | 65 | 30 | 45 | 15 | 72 | 203 | M20x2.5 | 6~M8x16 | M8x75 | 12 | 21 | 35 | 
| RS-100N | 100 | 20 | 132 | 115 | 100 | 80 | 30 | 45 | 25 | 72 | 203 | M20x2.5 | 6~M10x20 | M8x75 | 12 | 21 | 35 | 
| RS-125N | 125 | 25 | 160 | 140 | 130 | 110 | 35 | 50 | 25 | 82 | 213 | M24x3.0 | 6~M12x20 | M8x85 | 12 | 25 | 45 | 
| RS-150N | 150 | 30 | 190 | 170 | 130 | 110 | 45 | 55 | 25 | 95 | 226 | M30x3.5 | 12~M12x24 | M10x100 | 16 | 32 | 45 | 
| RS-200N | 200 | 35 | 245 | 220 | 145 | 120 | 55 | 70 | 35 | 115 | 249.5 | M36x4.0 | 12~M16x30 | M10x125 | 21 | 38 | 60 |