| 品番 | 有効ピストン面積 cm2 伸びた状態 | 有効ピストン面積 cm2 縮んだ状態 | ピストンストローク (mm) | 最大回転速度 min-1(r.p.m.) | 最大圧力 MPa(kgf/cm2) | クーラント供給 最大圧力 MPa (kgf/cm2) | I kg・m2 | 重量 (kg) | 
|---|---|---|---|---|---|---|---|---|
| RE-L110 | 92.7 | 87.9 | 20 | 6000 | 4.0(40) | 1.5(15) | 0.02 | 7.2 | 
| RE-L120 | 109.3 | 106.0 | 21 | 6000 | 4.0(40) | 1.5(15) | 0.03 | 9.1 | 
| RE-L130 | 128.9 | 123.1 | 30 | 6000 | 4.0(40) | 1.5(15) | 0.03 | 9.5 | 
| RE-L150 | 174.4 | 160.8 | 30 | 5500 | 4.0(40) | 1.5(15) | 0.06 | 15.2 | 
| RE-L200K | 292.4 | 274.9 | 35 | 4000 | 4.0(40) | 1.5(15) | 0.19 | 29.4 | 
| RE-L200L | 292.4 | 265.4 | 50 | 4000 | 5.0(50) | 1.5(15) | 0.21 | 30.7 | 
| RE-L250 | 465.2 | 438.2 | 60 | 2000 | 5.0(50) | 1.5(15) | 0.43 | 47.5 | 
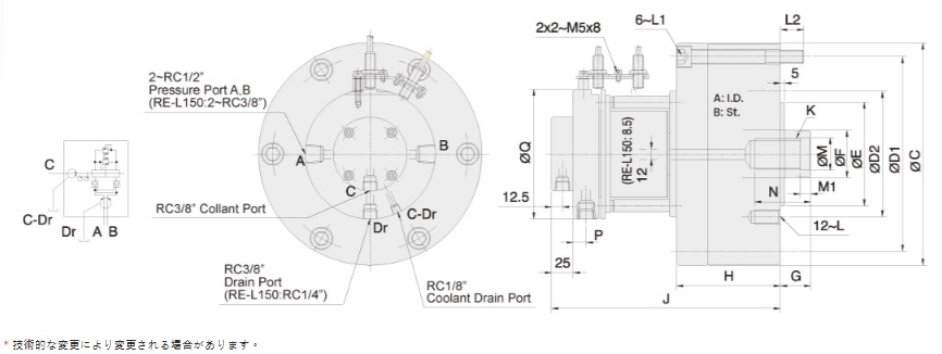
| 品番 | A | B | C | C (h7) | D | D1 | D2 | E | E (h7) | F | G max. | G min. | H | J | K | L | L1 | L2 | M (H8) | M1 | N | P | Q | 
|---|---|---|---|---|---|---|---|---|---|---|---|---|---|---|---|---|---|---|---|---|---|---|---|
| RE-L110 | 110 | 20 | - | 145 | 128 | - | - | 42 | - | 29 | 60 | 40 | 66 | 169.5 | M20x2.5 | 6~M8x70 | 12 | - | 22 | - | 38 | - | - | 
| RE-L120 | 120 | 21 | - | 168 | 145 | - | - | 42 | - | 29 | 60 | 39 | 69.5 | 171.5 | M20x2.5 | 6~M10x75 | 17 | - | 22 | - | 38 | - | - | 
| RE-L130 | 130 | 30 | - | 168 | 150 | - | - | 50 | - | 33 | 60 | 30 | 79.5 | 181.5 | M24x3.0 | 6~M10x85 | 17 | - | 27 | - | 43 | - | - | 
| RE-L150 | 150 | 30 | 205 | - | - | 180 | 130 | - | 110 | 45 | 60 | 30 | 99 | 201 | M30x3.5 | M12x24 | M12x105 | 18.5 | 32 | 10 | 50 | 12.5 | 114 | 
| RE-L200K | 195 | 35 | 257 | - | - | 225 | 145 | - | 120 | 55 | 73 | 38 | 120 | 264 | M36x4.0 | M16x30 | M16x130 | 27 | 38 | 12 | 65 | 15 | 150 | 
| RE-L200L | 195 | 50 | 257 | - | - | 225 | 170 | - | 125 | 65 | 80 | 30 | 135 | 279 | M42x3.0 | M16x30 | M16x145 | 27 | 45 | 12 | 65 | 15 | 150 | 
| RE-L250 | 245 | 60 | 307 | - | - | 275 | 220 | - | 160 | 65 | 85 | 25 | 165 | 305 | M42x3.0 | M20x35 | M16x175 | 28 | 45 | 12 | 65 | 15 | 150 |