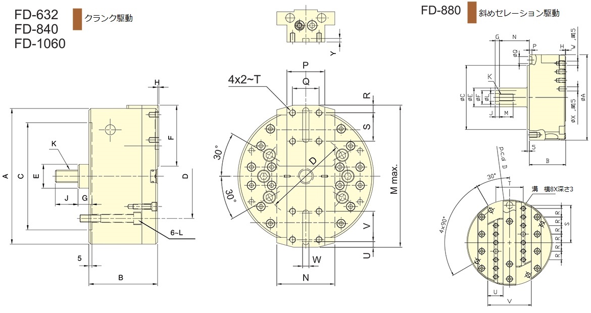
| 品番 | プランジャストローク(直径) (mm) | スライドストローク(直径) (mm) | 最高回転数 min-1(r.p.m.) | 最大供給速度 mm/min. | 重量 (kg) | 適合シリンダ | 最大圧力使用 MPa (kgf/cm2) | 
|---|---|---|---|---|---|---|---|
| FD-632 | 20 | 32 | 3200 | 300 | 13.6 | RS-1030N | 2.4(24) | 
| FD-840 | 25 | 40 | 2500 | 240 | 30 | RS-1030N | 3.0(30) | 
| FD-1060 | 35 | 60 | 1800 | 200 | 41.5 | RS-1040N | 3.0(30) | 
| 品番 | プランジャストローク(直径) (mm) | スライドストローク(直径) (mm) | 最高回転数 min-1(r.p.m.) | 許容シリンダ推力 kgf | 慣性モーメント kg.m2 | 重量 (kg) | 適合シリンダ | 
|---|---|---|---|---|---|---|---|
| FD-880 | 48 | 80 | 2500 | 1050 | 0.081 | 17 | RS-1080N | 
| 品番 | A | B | C(H7) | D | E | F | G max. | G min. | H | J | K | 
|---|---|---|---|---|---|---|---|---|---|---|---|
| FD-632 | 168 | 93 | 140 | 104.8 | 32 | 76 | 31 | 11 | 2 | 36 | M16x2.0 | 
| FD-840 | 215 | 109 | 170 | 133.4 | 38 | 96.5 | 32.5 | 7.5 | 2 | 36 | M20x2.5 | 
| FD-1060 | 254 | 123 | 220 | 171.4 | 38 | 110.5 | 32.5 | -2.5 | 4 | 36 | M20x2.5 | 
| 品番 | L | M | N | P | Q | R | S | T | U | V | W(H8) | Y | 
|---|---|---|---|---|---|---|---|---|---|---|---|---|
| FD-632 | 6~M10x75 | 188 | 70 | 40 | 25 | 10 | 32 | M8x15 | 10 | 32 | 6 | 4 | 
| FD-840 | 6~M12x85 | 238 | 92 | 60 | 42 | 12 | 45 | M10x15 | 12 | 45 | 10 | 6 | 
| FD-1060 | 6~M16x125 | 286 | 90 | 65 | 46 | 15 | 50 | M10x15 | 12 | 50 | 10 | 6 | 
| 品番 | A | B | C(H6) | D | E | F | G max. | G min. | H | J | K | 
|---|---|---|---|---|---|---|---|---|---|---|---|
| FD-880 | 200 | 85 | 150 | 175 | 44 | 32 | 58 | 10 | 1 | 10 | M16x1.5 | 
| 品番 | L(H7) | M | N | P | Q | R | S | T | U | V | W | X(H7) | 
|---|---|---|---|---|---|---|---|---|---|---|---|---|
| FD-880 | 18 | 32 | 70 | 6 | 16.2 | 20 | 87.5 | 64 | 36 | 102 | 12~M10 | 10 |