| 品番 | プランジャ ストローク (mm) | ジョーストローク (直径) (mm) | 最大 把握直径 (mm) | 最小 把握直径 (mm) | 最大許容 シリンダ推力 kN (kgf) | 最大 把握力 kN (kgf) | 最高回転数 min-1(r.p.m.) | 慣性モーメント kg*m 2 | 慣性モーメント kg*m 2 | 重量 (kg) | 重量 (kg) | 適合シリンダ | 最大圧力使用 MPa (kgf/cm2) | |
|---|---|---|---|---|---|---|---|---|---|---|---|---|---|---|
| 3V-12 | A8 | 30 | 12.7 | 304 | 22 | 41.0 (4180) | 156 (15900) | 3150 | 0.8 | 66 | RK-150 RE-150 | 2.9(29) | ||
| 3V-15 | A8 | 35 | 16 | 381 | 30 | 81.9 (8360) | 245.1 (125000) | 2900 | 2.3 | 130 | RK-200 RE-200K | 3.2(32) 3.4(34) | ||
| 3V-15 | A11 | 35 | 16 | 381 | 30 | 81.9 (8360) | 245.1 (125000) | 2900 | 2.3 | 129 | RK-200 RE-200K | 3.2(32) 3.4(34) | ||
| 3V-15 | A15 | 35 | 16 | 381 | 30 | 81.9 (8360) | 245.1 (125000) | 2900 | 2.7 | 137 | RK-200 RE-200K | 3.2(32) 3.4(34) | ||
| 3V-18 | A8 | 35 | 16 | 450 | 80 | 81.9 (8360) | 245.1 (125000) | 2600 | 3.3 | 159 | RK-200 RE-200K | 3.2(32) 3.4(34) | ||
| 3V-18 | A11 | 35 | 16 | 450 | 80 | 81.9 (8360) | 245.1 (125000) | 2600 | 3.3 | 158 | RK-200 RE-200K | 3.2(32) 3.4(34) | ||
| 3V-18 | A15 | 35 | 16 | 450 | 80 | 81.9 (8360) | 245.1 (125000) | 2600 | 3.7 | 165 | RK-200 RE-200K | 3.2(32) 3.4(34) | ||
| 3V-21 | A11 | 35 | 16 | 530 | 62 | 81.9 (8360) | 271.6 (27700) | 1800 | 5.3 | 229 | RK-200 RE-200K | 3.2(32) 3.4(34) | ||
| 3V-21 | A15 | 35 | 16 | 530 | 62 | 81.9 (8360) | 271.6 (27700) | 1800 | 5.2 | 222 | RK-200 RE-200K | 3.2(32) 3.4(34) | ||
| 3V-24 | A11 | 35 | 16 | 610 | 136 | 81.9 (8360) | 271.6 (27700) | 1700 | 7.6 | 270 | RK-200 RE-200K | 3.2(32) 3.4(34) | ||
| 3V-24 | A15 | 35 | 16 | 610 | 136 | 81.9 (8360) | 271.6 (27700) | 1700 | 7.3 | 263 | RK-200 RE-200K | 3.2(32) 3.4(34) | ||
| 3V-32 | A15 | 35 | 16 | 800 | 136 | 81.9 (8360) | 271.6 (27700) | 1100 | 36.2 | 430 | RK-200 RE-200K | 3.2(32) 3.4(34) | ||
| 3V-40 | A20 | 57 | 46+(60) | 1005 | 380 | 180 (18350) | 320 (32620) | 630 | 68 | 72 | 780 | 849 | RK-250,RE-250.RE-A250,RE-L250 | 4.24(43.2) | 
| 3V-50 | A20 | 57 | 46+(60) | 1250 | 600 | 180 (18350) | 320 (32620) | 500 | 145 | 148 | 800 | 869 | RK-250,RE-250.RE-A250,RE-L250 | 4.24(43.2) | 
| 3V-63 | - | 60 | 48+(80) | 1600 | 600 | 200 (20390) | 360 (36700) | 400 | 500 | 505 | 1600 | 1670 | RK-250,RE-250.RE-A250,RE-L250 | 4.76(46.7) | 
| 3V-79 | - | 60 | 48+(80) | 2000 | 1000 | 200 (20390) | 360 (36700) | 320 | 1250 | 1255 | 2500 | 2580 | RK-250,RE-250.RE-A250,RE-L250 | 4.76(46.7) | 
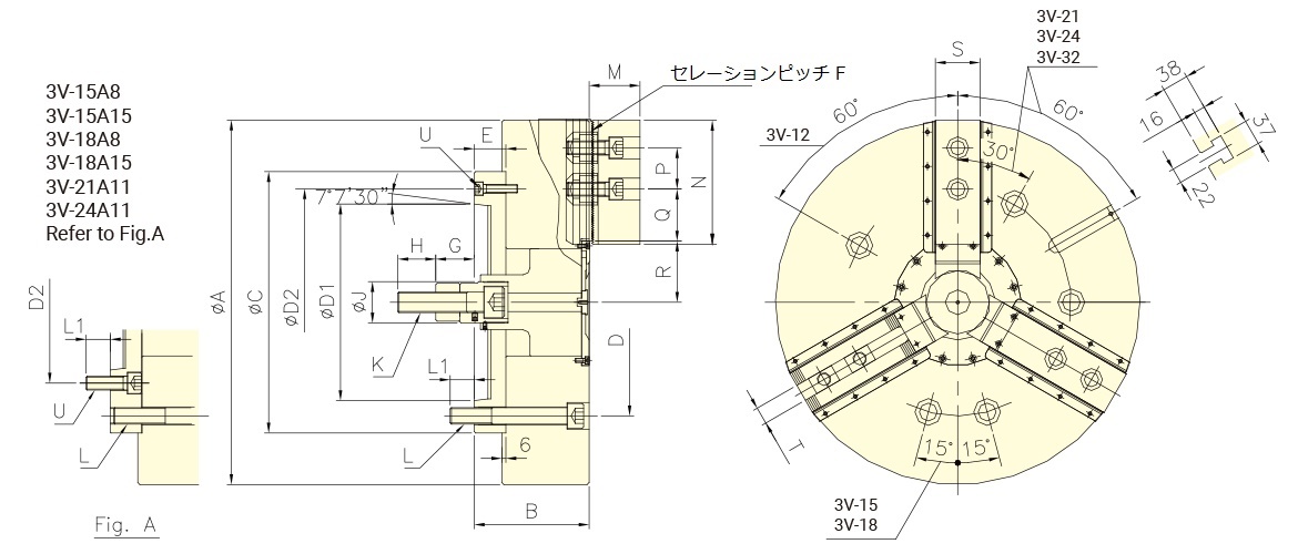
| 品番 | A | B | B | C | D | D1 | D2 | E | E1 | F | G max. | G max. | G min. | G min. | H | J | |
|---|---|---|---|---|---|---|---|---|---|---|---|---|---|---|---|---|---|
| 3V-12 | A8 | 304 | 141 | 220 | 171.4 | 139.72 | 190 | 40 | 1.5 | 73 | 43 | 36 | 50 | ||||
| 3V-15 | A8 | 381 | 164 | 300 | 235 | 139.72 | 171.4 | 54 | 1.5 | 99 | 64 | 55 | 60 | ||||
| 3V-15 | A11 | 381 | 168 | 300 | 235 | 196.87 | 260 | 58 | 1.5 | 95 | 60 | 55 | 60 | ||||
| 3V-15 | A15 | 381 | 172 | 380 | 235 | 285.78 | 330.2 | 62 | 1.5 | 91 | 56 | 55 | 60 | ||||
| 3V-18 | A8 | 450 | 164 | 300 | 235 | 139.72 | 171.4 | 54 | 1.5 | 99 | 64 | 55 | 60 | ||||
| 3V-18 | A11 | 450 | 168 | 300 | 235 | 196.87 | 260 | 58 | 1.5 | 95 | 60 | 55 | 60 | ||||
| 3V-18 | A15 | 450 | 172 | 380 | 235 | 285.78 | 330.2 | 62 | 1.5 | 91 | 56 | 55 | 60 | ||||
| 3V-21 | A11 | 530 | 167 | 380 | 330.2 | 196.87 | 235 | 46 | 3.0 | 91 | 56 | 55 | 60 | ||||
| 3V-21 | A15 | 530 | 167 | 380 | 330.2 | 285.78 | 330.2 | 46 | 3.0 | 91 | 56 | 55 | 60 | ||||
| 3V-24 | A11 | 610 | 167 | 380 | 330.2 | 196.87 | 235 | 46 | 3.0 | 91 | 56 | 55 | 60 | ||||
| 3V-24 | A15 | 610 | 167 | 380 | 330.2 | 285.78 | 330.2 | 46 | 3.0 | 91 | 56 | 55 | 60 | ||||
| 3V-32 | A15 | 800 | 167 | 380 | 330.2 | 285.78 | 330.2 | 46 | 3.0 | 91 | 56 | 55 | 60 | ||||
| 3V-40 | A20 | 1005 | 184 | 226 | 520 | 463.6 | 412.78 | 463.6 | 8 | 50 | 190 | 123 | 73 | 66 | 16 | 65 | 65 | 
| 3V-50 | A20 | 1250 | 184 | 226 | 520 | 463.6 | 412.78 | 463.6 | 8 | 50 | 190 | 123 | 73 | 66 | 16 | 65 | 65 | 
| 3V-63 | - | 1600 | 222 | 720 | 647.6 | 8 | 218 | 131 | 71 | 65 | 65 | ||||||
| 3V-79 | - | 2000 | 240 | 720 | 647.6 | 8 | 238 | 133 | 73 | 65 | 65 | 
| 品番 | K | L | L1 | M | N | P | Q max. | Q min. | R max. | R min. | S | T | U | V | W | |
|---|---|---|---|---|---|---|---|---|---|---|---|---|---|---|---|---|
| 3V-12 | A8 | M20x2.5 | 3~M16 | 24 | 54 | 130 | 30 | 47.5 | 16 | 61 | 54.65 | 50 | 21 | 3~M8 | ||
| 3V-15 | A8 | M30x3.5 | 6~M20 | 24 | 66 | 165 | 43 | 51.25 | 18.25 | 77.5 | 69.5 | 62 | 25.5 | 6~M16 | ||
| 3V-15 | A11 | M30x3.5 | 6~M20 | 32 | 66 | 165 | 43 | 51.25 | 18.25 | 77.5 | 69.5 | 62 | 25.5 | 3~M10 | ||
| 3V-15 | A15 | M30x3.5 | 6~M20 | 26 | 66 | 165 | 43 | 51.25 | 18.25 | 77.5 | 69.5 | 62 | 25.5 | 6~M24 | ||
| 3V-18 | A8 | M30x3.5 | 6~M20 | 24 | 66 | 165 | 43 | 51.25 | 18.25 | 108 | 100 | 62 | 25.5 | 6~M16 | ||
| 3V-18 | A11 | M30x3.5 | 6~M20 | 32 | 66 | 165 | 43 | 51.25 | 18.25 | 108 | 100 | 62 | 25.5 | 3~M10 | ||
| 3V-18 | A15 | M30x3.5 | 6~M20 | 26 | 66 | 165 | 43 | 51.25 | 18.25 | 108 | 100 | 62 | 25.5 | 6~M24 | ||
| 3V-21 | A11 | M30x3.5 | 6~M24 | 35 | 74 | 180 | 60 | 93.5 | 24.5 | 89 | 81 | 65 | 25 | 6~M20 | ||
| 3V-21 | A15 | M30x3.5 | 6~M24 | 35 | 74 | 180 | 60 | 93.5 | 24.5 | 89 | 81 | 65 | 25 | 3~M12 | ||
| 3V-24 | A11 | M30x3.5 | 6~M24 | 35 | 74 | 180 | 60 | 93.5 | 24.5 | 128 | 120 | 65 | 25 | 6~M20 | ||
| 3V-24 | A15 | M30x3.5 | 6~M24 | 35 | 74 | 180 | 60 | 93.5 | 24.5 | 128 | 120 | 65 | 25 | 3~M12 | ||
| 3V-32 | A15 | M30x3.5 | 6~M24 | 35 | 74 | 180 | 60 | 189.5 | 24.5 | 128 | 120 | 65 | 25 | 3~M12 | ||
| 3V-40 | A20 | M36x4 | M24 | 37 | 110 | 270 | 76.2 | 295 | - | 457 | 404 | 6~19.03 | 7~M24 | 3~M12 | 42 | 84 | 
| 3V-50 | A20 | M36x4 | M24 | 37 | 110 | 270 | 76.2 | 416 | - | 563 | 510 | 9~19.03 | 9~M24 | 3~M12 | 42 | 84 | 
| 3V-63 | - | M36x4 | M30 | 46 | 110 | 270 | 76.2 | 540 | - | 738 | 674 | 12~19.03 | 13~M24 | 42 | 110 | |
| 3V-79 | - | M36x4 | M30 | 48 | 110 | 270 | 76.2 | 740 | - | 914 | 850 | 16~19.03 | 17~M24 | 42 | 110 |