| 品番 | プランジャ ストローク (mm) | ジョーストロ (直径)(mm) | 最大 把握直径 (mm) | 最小 把握直径 (mm) | 最大許容 シリンダ推力 kN (kgf) | 最大 把握力 kN (kgf) | 最高回転数 min-1(r.p.m.) | 慣性モーメント kg*m2 | 重量 (kg) | 重量 (kg) | 適合シリンダ | 最大圧力使用 MPa (kgf/cm2) | |
|---|---|---|---|---|---|---|---|---|---|---|---|---|---|
| 3Q-08 | A6 | 16 | 7.5 | 210 | 23 | 45.0(4590) | 100.0(10200) | 5000 | 0.15 | 24.5 | 26.0 | TK-1068 | 3.1(31) | 
| * 3Q-10 | A8 | 19 | 8.8 | 254 | 41 | 60.0(6118) | 135.0(13765) | 4500 | 0.41 | 44.0 | 46.0 | TK-1287 | 2.8(28) | 
| * 3Q-12 | A8 | 23 | 10.6 | 315 | 47 | 81.0(8259) | 180.0(18354) | 3500 | 0.96 | 73.0 | 75.0 | TK-1511 | 2.4(25) | 
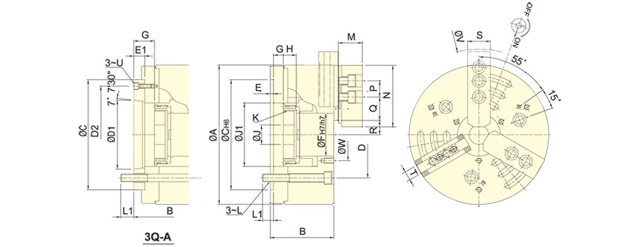
| 品番 | A | B | B | C | D | D1 | D2 | E | E1 | F | G max. | G max. | G min. | G min. | H | J | |
|---|---|---|---|---|---|---|---|---|---|---|---|---|---|---|---|---|---|
| 3Q-08 | A6 | 215 | 98 | 110 | 170 | 133.4 | 106.38 | 150 | 5 | 17 | 66 | 14.5 | 32 | -1.5 | 15.5 | 20 | 30 | 
| * 3Q-10 | A8 | 254 | 119 | 132 | 220 | 171.4 | 139.72 | 190 | 5 | 18 | 81 | 8.5 | 26.5 | -10.5 | 7.5 | 39 | 45 | 
| * 3Q-12 | A8 | 315 | 133 | 145 | 220 | 171.4 | 139.72 | 190 | 6 | 18 | 106 | 8.5 | 26.5 | -14.5 | 3.5 | 42 | 50 | 
| 品番 | J1 | K max. | L | L1 | L1 | M | N | P | Q | R max. | R min. | S | T | U | V | W | |
|---|---|---|---|---|---|---|---|---|---|---|---|---|---|---|---|---|---|
| 3Q-08 | A6 | 98 | M75x2 | M12 | 17 | 20 | 37 | 95 | 25 | 36 | 20.8~44.8 | 17.1~41.1 | 35 | 14 | M6 | 264 | 80 | 
| * 3Q-10 | A8 | 115 | M90x2 | M16 | 23 | 25 | 42 | 110 | 30 | 40.5 | 21.1~52.8 | 16.7~48.2 | 40 | 16 | M8 | 312 | 100 | 
| * 3Q-12 | A8 | 140 | M115x2 | M16 | 22 | 24 | 50 | 111 | 30 | 57 | 34.1~70.1 | 28.8~64.8 | 50 | 21 | M8 | 360 | 130 |