| 品番 | 回転ストローク (mm) | 把握ストローク (mm) | 爪補正量 (mm) | 最大 把握直径 (mm) | 最小 把握直径 (mm) | 最大許容 シリンダ推力 kN (kgf) | 最大 把握力 kN (kgf) | 最高回転数 min-1(r.p.m.) | 慣性モーメント kg*m2 | 重量 (kg) | 適合シリンダ | 最大圧力使用 MPa (kgf/cm2) | 
|---|---|---|---|---|---|---|---|---|---|---|---|---|
| 3J-05 | 12 | 8 | 2 | 53 | 25 | 7.5(765) | 6.0(612) | 4000 | 0.02 | 11.0 | RK-100 OR RK-100(N) | 1.0(10) | 
| 3J-06 | 12 | 8 | 2 | 79 | 55 | 9.0(918) | 7.5(765) | 4000 | 0.04 | 12.0 | RK-100 OR RK-100(N) | 1.2(12) | 
| 3J-08 | 12 | 8 | 2 | 106 | 75 | 18.0(1835) | 16.5(1680) | 3500 | 0.13 | 23.0 | RK-100 OR RK-100(N) | 2.5(25) | 
| 3J-10 | 12 | 8 | 2.5 | 150 | 119 | 18.0(1835) | 16.5(1680) | 3500 | 0.30 | 33.0 | RK-100 OR RK-100(N) | 2.5(25) | 
| * 3J-12 | 12 | 8 | 2.5 | 200 | 169 | 18.0(1835) | 16.5(1680) | 3000 | 0.56 | 44.0 | RK-100 OR RK-100(N) | 2.5(25) | 
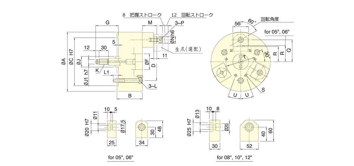
| 品番 | A | B | C | D | F | G max. | G min. | J | J1 | K | L | L1 | M max. | M min. | N | P | Q | R | S | T | U | 
|---|---|---|---|---|---|---|---|---|---|---|---|---|---|---|---|---|---|---|---|---|---|
| 3J-05 | 135 | 86 | 110 | 82.6 | 40 | 75 | 55 | 25 | 9 | M12X1.75 | M10 | 15 | 56 | 36 | 20 | M10 | 42.5 | 27 | 3~M6 | 50 | - | 
| 3J-06 | 165 | 86 | 140 | 104.8 | 45 | 75 | 55 | 28 | 12 | M16X2 | M10 | 15 | 56 | 36 | 20 | M10 | 57.5 | 40 | 3~M8 | 64 | - | 
| 3J-08 | 210 | 90 | 170 | 133.4 | 56 | 80 | 60 | 38 | 16 | M20X2.5 | M12 | 18 | 71 | 51 | 25 | M12 | 77.5 | 53.5 | 6~M8 | 104 | 20° | 
| 3J-10 | 254 | 95 | 220 | 171.4 | 56 | 75 | 55 | 38 | 16 | M20X2.5 | M16 | 24 | 71 | 51 | 25 | M12 | 99.5 | 75.5 | 6~M8 | 140 | 20° | 
| * 3J-12 | 304 | 95 | 220 | 171.4 | 56 | 75 | 55 | 38 | 16 | M20X2.5 | M16 | 24 | 71 | 51 | 25 | M12 | 124.5 | 100.5 | 6~M8 | 190 | 20° |