| 品番 | プランジャ ストローク (mm) | ジョーストロ (直径) (mm) | 最大 把握直径 (mm) | 最小 把握直径 (mm) | 最大許容 シリンダ推力 kN (kgf) | 最大 把握力 kN (kgf) | 最高回転数 min-1(r.p.m.) | 慣性モーメント kg*m2 | 重量 (kg) | 適合シリンダ | 最大圧力使用 MPa (kgf/cm2) | 
|---|---|---|---|---|---|---|---|---|---|---|---|
| 3E-05 | 6 | 3 | 83 | 29 | 13.0(1325) | 42.0(4280) | 7000 | 0.018 | 7.5 | RK-100 | 1.8(18.5) | 
| 3E-06 | 10 | 5 | 110 | 44 | 18.0(1835) | 58.0(5910) | 6000 | 0.042 | 13.6 | RK-100 | 2.5(25.6) | 
| 3E-08 | 10 | 5 | 150 | 50 | 25.0(2530) | 80.0(8150) | 5000 | 0.14 | 26.5 | RK-125 | 2.2(22.5) | 
| 3E-10 | 10 | 5 | 190 | 60 | 35.0(3570) | 100.0(10200) | 3600 | 0.31 | 39.5 | RK-150 | 2.8(28.5) | 
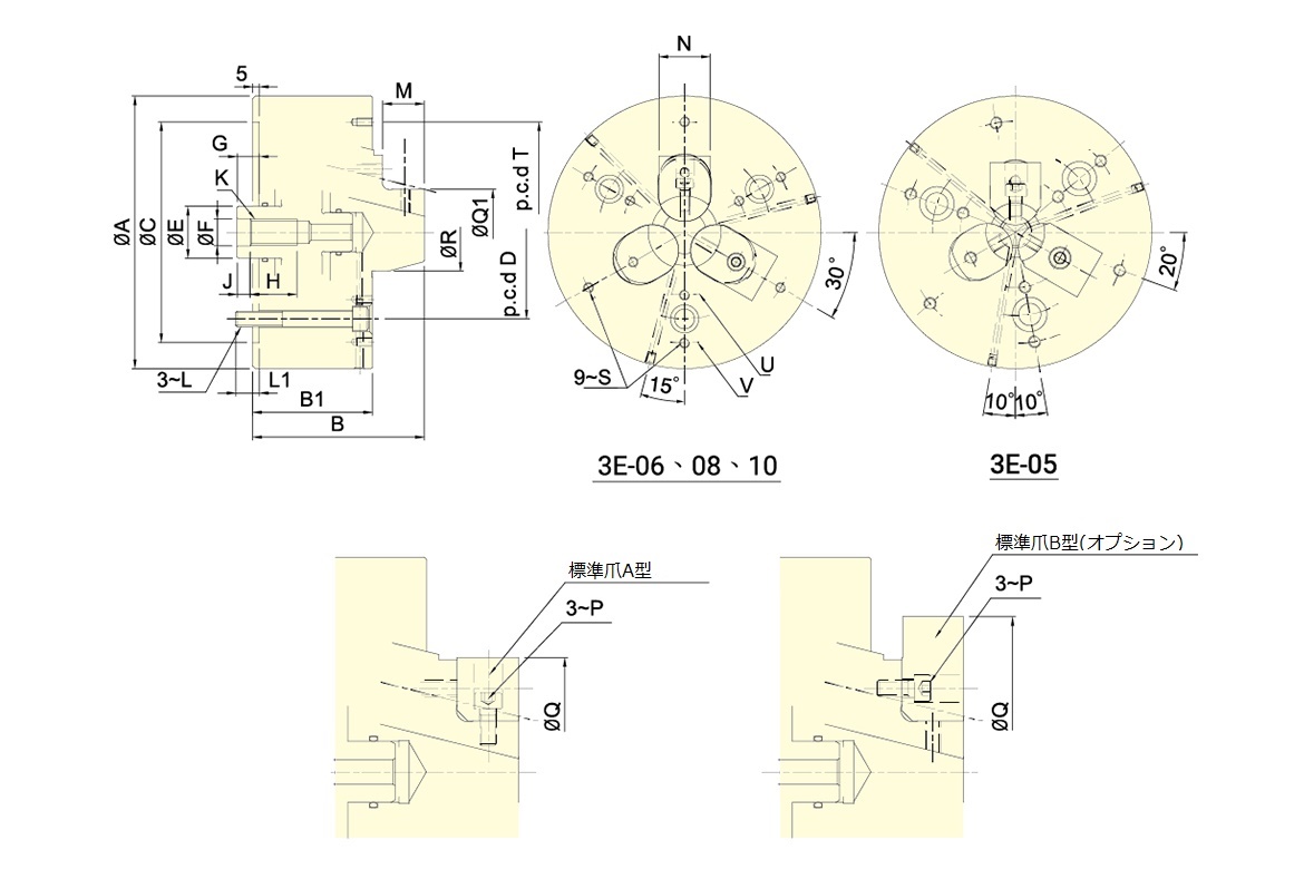
| 品番 | A | B | B1 | C(H6) | D | E | F(H8) | G max. | G min. | H | J | K | 
|---|---|---|---|---|---|---|---|---|---|---|---|---|
| 3E-05 | 135 | 98 | 72 | 110 | 82.6 | 25 | 18 | 18 | 12 | 25 | 8 | M16 | 
| 3E-06 | 165 | 112 | 80 | 140 | 104.8 | 35 | 18 | 22 | 12 | 30 | 8 | M16 | 
| 3E-08 | 210 | 132 | 90 | 170 | 133.4 | 40 | 21 | 22 | 12 | 36 | 10 | M20 | 
| 3E-10 | 254 | 152 | 102 | 220 | 171.4 | 50 | 25 | 25 | 15 | 48 | 10 | M24 | 
| 品番 | L | L1 | M | N | P | Type A | Type B | Q1 | R | S | T | U | V | |||
|---|---|---|---|---|---|---|---|---|---|---|---|---|---|---|---|---|
| Q max. | Q min. | Q max. | Q min. | Q max. | Q min. | |||||||||||
| 3E-05 | M10 | 15 | 20 | 25 | M6 | 68 | 50 | 83 | 67 | 50 | 29 | 25 | M6X12 | 110 | 55 | 110 | 
| 3E-06 | M10 | 16 | 23 | 31 | M6 | 90 | 70 | 110 | 89 | 70 | 44 | 40 | M6X12 | 130 | 76 | 134 | 
| 3E-08 | M12 | 18 | 30 | 35 | M8 | 110 | 90 | 150 | 108 | 90 | 50 | 49 | M6X12 | 170 | 100 | 170 | 
| 3E-10 | M16 | 23 | 35 | 40 | M10 | 127 | 110 | 190 | 125 | 110 | 60 | 59 | M8X16 | 210 | 120 | 210 |